Waarom moet je bij ons kopen

Snelle levertijd

Scherpe prijs

Ruim assortiment

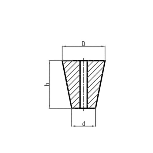
Conische stoppen

Voor naadloze afsluiting en bescherming in diverse toepassingen.

Beschrijving

Heeft u Conische stoppen nodig? Bij Rubber-shop.nl bent u aan het juiste adres! Conische stoppen met en zonder gat zijn in verschillende afmetingen te verkrijgen. De conische stoppen zijn in heel veel verschillende situaties te gebruiken zoals bijvoorbeeld het stoppen van een gat. Voor een goede afdichting is het belangrijk dat de hardheid van de conische stop van hoge kwaliteit is. De conische stop wordt standaard gemaakt van NBR rubber en heeft een gemiddelde hardheid van 50 shore-A. Daarnaast zijn de conische stoppen ook nog in verschillende Shore-A hardheden te verkrijgen. Wanneer u een conische stop in een andere hardheid of een ander soort materiaal wilt hebben dan horen wij dit graag want bij Rubber-shop.nl is alles mogelijk.


Levering

Rubber-shop heeft verschillende stoppen standaard op voorraad liggen waardoor u van een snelle levering verzekerd bent! Klik hier voor de voorraadlijst!